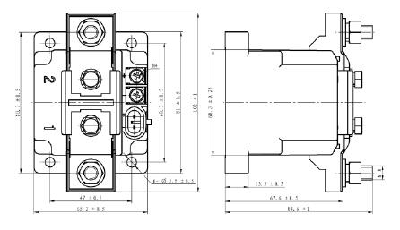
GSZ8-200J直流接触器
24V
200A
企业介绍
项目合作
资料下载
产品介绍
Product introduction
走进约瑟
公司简介
人才理念
服务中心
关注我们
联系我们
网站地图
服务热线
周一~周六 8:00-18:00
021-55560736
15821909792